
| |
![]() |
|
【產品用途】
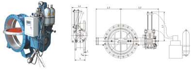
HD7X41X 型 PN6~PN16 蓄能器式液控緩閉止回蝶閥主要用在熱電廠并聯機組和煤氣余熱發電機組上,用以作為保護系統安全得緊急切斷閥門。
主要外形和連接尺寸
DN | PN | L | L1 | L2 | L3 | L4 | 法蘭連接尺寸 |
400 | 0.6 | 216 | 556 | 1449 | 320 | 440 | GB/T17241 |
1.0 | 216 | 556 | 1449 | 330 | 440 | ||
1.6 | 216 | 556 | 1449 | 345 | 440 | ||
450 | 0.6 | 222 | 556 | 1449 | 370 | 440 | |
1.0 | 222 | 556 | 1449 | 380 | 440 | ||
1.6 | 222 | 580 | 1449 | 395 | 490 | ||
500 | 0.6 | 229 | 580 | 1449 | 400 | 440 | |
1.0 | 229 | 580 | 1449 | 410 | 490 | ||
1.6 | 229 | 580 | 1449 | 425 | 490 | ||
600 | 0.6 | 267 | 580 | 1449 | 440 | 490 | |
1.0 | 267 | 580 | 1449 | 460 | 490 | ||
1.6 | 267 | 625 | 1820 | 470 | 490 | ||
700 | 0.6 | 292 | 625 | 1449 | 436 | 490 | |
1.0 | 292 | 625 | 1820 | 550 | 545 | ||
1.6 | 292 | 625 | 1820 | 570 | 545 | ||
800 | 0.6 | 318 | 625 | 1820 | 625 | 490 | |
1.0 | 318 | 625 | 1820 | 640 | 545 | ||
1.6 | 318 | 625 | 1820 | 660 | 545 | ||
900 | 0.6 | 330 | 625 | 1820 | 700 | 545 | |
1.0 | 330 | 625 | 1820 | 710 | 545 | ||
1.6 | 330 | 675 | 1820 | 725 | 610 | ||
1000 | 0.6 | 410 | 625 | 1820 | 760 | 610 | |
1.0 | 410 | 675 | 1820 | 770 | 610 | ||
1.6 | 410 | 675 | 2180 | 790 | 610 | ||
1200 | 0.6 | 470 | 675 | 1820 | 875 | 610 | |
1.0 | 470 | 675 | 2180 | 890 | 610 | ||
1.6 | 470 | 729 | 2180 | 915 | 720 | ||
1400 | 0.6 | 530 | 729 | 2180 | 1000 | 720 | |
1.0 | 530 | 729 | 2180 | 1020 | 720 | ||
1.6 | 530 | 781 | 2180 | 1045 | 960 | ||
1600 | 0.6 | 600 | 781 | 2180 | 1120 | 720 | |
1.0 | 600 | 781 | 2180 | 1140 | 960 |
【結構圖片】
浙江以法他閥門有限公司專業生產鍛鋼閥門,鍛鋼閘閥,鍛鋼截止閥產品廣泛應用于石油、化工、冶金、電力、軍工、造紙、及工程配套行業,愿與天下有識之士一起,為中國閥門工業的騰飛和進步做出更大的貢獻!
浙江以法他閥門有限公司專業生產鍛鋼閥門,鍛鋼閘閥,鍛鋼截止閥產品廣泛應用于石油、化工、冶金、電力、軍工、造紙、及工程配套行業,愿與天下有識之士一起,為中國閥門工業的騰飛和進步做出更大的貢獻!
浙江以法他閥門有限公司專業生產鍛鋼閥門,鍛鋼閘閥,鍛鋼截止閥產品廣泛應用于石油、化工、冶金、電力、軍工、造紙、及工程配套行業,愿與天下有識之士一起,為中國閥門工業的騰飛和進步做出更大的貢獻!